13606176983

|
表面 管数 |
B (mm) |
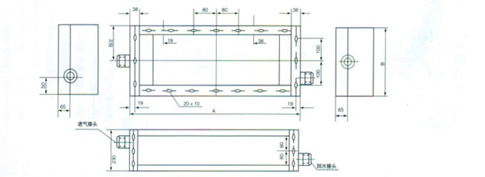
表面管长 | 24 | 30 | 36 | 42 | 48 | 54 | 60 | 66 | 72 | 78 | 84 | 90 | 96 | 102 | 108 | 114 | 120 | |
| A(mm) | 830 | 980 | 1130 | 1280 | 143C | 1580 | 1730 | 1880 | 2030 | 2180 | 2330 | 2480 | 2630 | 2780 | 2930 | 3080 | 3230 | |||
| 基本参数 | ||||||||||||||||||||
|
12 |
530 |
散热面积(m2) 受风面积(m2) 通风净截面积m2) 进出管接头(寸) 进出管接头(寸) 净重(kg) 净重(kg) |
2 1或2 1或2 1 2 1 2 |
9 0.26 0.144 2 2 29. 1 37 |
11.25 0.325 0.18 2 2 32.8 42.5 |
13.5 0.39 0.216 2 2 36.5 48 |
15.75 0.455 0.252 2 2 40.2 53.5 |
18 0.52 0.288 2 2 43.9 59 |
20.25 0.585 0.324 2 2 47.6 64.5 |
22.5 0.65 0.36 2 2 51.3 70 |
24.75 0.715 0.396 2 21/2 55 75.5 |
27 0.78 0.432 2 21/2 58.7 81.1 |
29.25 0.845 0.468 2 2u2 62.4 86.5 |
31.5 0.91 0.504 2 21/2 66.01 92 |
33.75 0.975 0.54 2 21/2 69.8 97.5 |
36 1.04 0.576 2 21/2 73.5 103 |
38.25 1.105 0.612 2 21/2 77.2 108.5 |
40.5 1.17 0.648 21/2 21/2 80.9 141 |
42.75 1.235 0.684 21/2 21/2 84.6 119.5 |
45 1.3 0.72 2u2 2v2 88.3 125 |
| 15 | 636 |
散热面积(m2) 受风面积(m2) 通风净截面积m2) 进出管接头(寸) 进出管接头(寸) 净重(kg) 净重(kg) |
2 1或2 1或2 1 2 1 2 |
11.25 0.325 0.18 2 2 34 43 |
14.06 0.406 0.225 2 2 38.3 50 |
16.88 0.488 0.27 2 2 42.6 57 |
19.68 3.569 3.315 2 2 46.9 64 |
22.5 0. 65 0. 36 2 2 51.2 71 |
25.31 3.731 3.405 2 2 55.5 78 |
28.13 0.812 0.45 2 2 59.8 85 |
30.94 0.894 0.495 2 21/2 64.1 92 |
33.75 0.975 0. 54 2 21/2 68. 4 106 |
36.56 1.056 0.585 2 21/2 72.5 106 |
39.38 1.137 0.63 2 21/2 77 113 |
42.19 1.219 0.675 21/2 21/2 81.3 120 |
45 1.3 0. 72 21/2 21/2 85. 6 127 |
47.81 1.381 0.765 21/2 21/2 89.9 134 |
50.63 1.462 0.81 21/2 21/2 94. 2 141 |
53.44 1.544 0.855 21/2 21/2 98.5 148 |
56.25 1.625 0.9 21/2 21/2 102.8 155 |
| 18 | 742 |
散热面积(m2) 受风面积(m2) 通风净截面积m2) 进出管接头(寸) 进出管接头(寸) 净重(kg) 净重(kg) |
2 1或2 1或2 1 2 1 2 |
13.5 0. 39 0.216 2 2 39 50 |
16.88 0.488 0.27 2 2 44 57.8 |
20.25 0.586 0.324 2 2 49 65.6 |
23.63 0.684 0.378 2 2 54 73.4 |
27 0.782 0.432 2 21/2 59 81.2 |
30.38 0.88 0.486 2 21/2 64 89 |
33.75 0.978 0.54 2 21/2 69 96.8 |
37.13 1.076 0.594 2 21/2 74 104.6 |
40.5 1.174 0.648 21/2 21/2 79 112.4 |
43.88 1.272 0.702 21/2 21/2 84 120.2 |
47.25 1.37 0.756 21/2 21/2 89 128 |
50.63 1.468 0.81 21/2 21/2 94 135.8 |
54 1.566 0.864 21/2 21/2 99 143.6 |
57.36 1.664 0.918 21/2 21/2 104 151.4 |
60.75 1.762 0.972 21/2 21/2 109 159.2 |
64.12 1.86 1.026 21/2 21/2 114 167 |
67.5 1.958 1.08 21/2 21/2 119 174.8 |
| 21 | 843 |
散热面积(m2) 受风面积(m2) 通风净截面积m2) 进出管接头(寸) 进出管接头(寸) 净重(kg) 净重(kg) |
2 1或2 1或2 1 2 1 2 |
15.75 0.455 0.252 21/2 21/2 43 57 |
19.69 0.568 0.315 21/2 21/2 48.5 66 |
23.63 0.681 0.378 21/2 21/2 54 75 |
27.56 0.794 0.441 21/2 21/2 59. 5 84 |
31.5 0.907 0.504 21/2 21/2 65 93 |
35.44 1.02 0.567 21/2 21/2 70.5 102 |
39.38 1.133 0.63 21/2 21/2 76 111.0 |
43.31 1.246 0.693 21/2 21/2 81.5 120 |
47.35 1.359 0.756 21/2 21/2 87 129 |
51.29 1.472 0.819 21/2 21/2 92.5 138 |
55.13 1.585 0.882 21/2 21/2 98 147 |
59.06 1.698 0.945 21/2 21/2 103.5 156 |
63 1.811 1.008 21/2 21/2 109 165 |
66.94 1.924 1.071 21/2 21/2 114.5 174 |
70.88 2.037 1.134 21/2 21/2 120 183 |
74.81 2.15 1.197 21/2 21/2 125.5 192 |
78.75 2.263 1.26 21/2 21/2 131 201 |
| 24 | 954 |
散热面积(m2) 受风面积(m2) 通风净截面积m2) 进出管接头(寸) 进出管接头(寸) 净重(kg) 净重(kg) |
2 1或2 1或2 1 2 1 2 |
18 0. 52 0.288 21/2 21/2 50 64 |
22.5 0.65 0.36 21/2 21/2 56 74 |
27 0. 78 0.432 21/2 21/2 62 84 |
31.5 0.91 0.504 21/2 21/2 68 94 |
36 0.91 0.504 21/2 21/2 74 104 |
40.5 1.17 0.648 21/2 21/2 80 114 |
45 1.3 0.72 21/2 21/2 86 124 |
49.5 1.43 0.792 21/2 21/2 92 134 |
54 1.56 0.864 2 90 98 114 |
58.5 1.69 0.936 21/2 21/2 104 154 |
63 1.83 1.008 21/2 21/2 110 164 |
67.5 1.95 1.08 21/2 21/2 116 174 |
72 2.08 1.152 21/2 21/2 122 184 |
76.5 2.21 1.224 21/2 21/2 128 194 |
81 2.34 1.296 21/2 21/2 134 204 |
85.5 2.47 1.368 21/2 21/2 140 214 |
90 2.6 1.44 21/2 21/2 146 224 |
相关产品
董经理:13606176983
电 话:0510-85959748
网 址:www.wx-hhsh.com
邮 箱:hh@wx-hhsh.com
地 址:中国江苏省无锡市滨湖区锡南路15号
No. 15, XiNanRoad, BinhuDistrict, WuXiCity, JiangsuProvince, China
邮 编:214128