13606176983

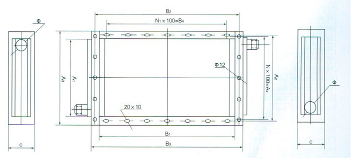
| 散热器型号 |
通风净 截面积 (m2) |
散热 面积 (m2) |
热 媒 |
管束 数量 |
尺寸(mm) | 连接管 | ||||||||
| A4 | B4 | A 1 | B 1 | A 2 | B 2 | A 3 | B 3 | C | ||||||
| SZL(A)-5×5/3 | 0.11 | 19.34 |
蒸 汽 或 高 温 水 |
35 | 500 | 400 | 545 | 500 | 575 | 540 | 605 | 570 | 160 | 1 |
| SZL(A)-5×5/2 | 0.11 | 12.71 | 23 | 120 | ||||||||||
| SZL(A)-10×5/3 | 0.22 | 38.68 | 35 | 900 | 1000 | 1040 | 1070 | 160 | ||||||
| SZL(A)-10×5/2 | 0.22 | 25.42 | 23 | 120 | ||||||||||
| SZL(A)-12×5/3 | 0.27 | 48.34 | 35 | 1200 | 1250 | 1290 | 1320 | 160 | ||||||
| SZL(A)-12×5/2 | 0.27 | 31.77 | 23 | 120 | ||||||||||
| SZL(A)-6×6/3 | 0.15 | 27.18 | 41 | 600 | 500 | 635 | 600 | 665 | 640 | 695 | 670 | 160 |
1 1/2 |
|
| SZL(A)-6×6/2 | 0.15 | 17.90 | 27 | 120 | ||||||||||
| SZL(A)-10×6/3 | 0.26 | 45.31 | 41 | 900 | 1000 | 1040 | 1070 | 160 | ||||||
| SZL(A)-10×6/2 | 0.26 | 29.48 | 27 | 120 | ||||||||||
| SZL(A)-12×6/3 | 0.32 | 56.63 | 41 | 1200 | 1250 | 1290 | 1320 | 160 | ||||||
| SZL(A)-12×6/2 | 0.32 | 37.29 | 27 | 120 | ||||||||||
| SZL(A)-15×6/3 | 0.39 | 68.00 | 41 | 1400 | 1500 | 1540 | 1570 | 160 | ||||||
| SZL(A)-15×6/2 | 0.39 | 44.75 | 27 | 120 | ||||||||||
| SZL(A)-24×6/3 | 0.60 | 108.73 | 41 | 2300 | 2400 | 2440 | 2470 | 160 | ||||||
| SZL(A)-24×6/2 | 0.60 | 71.60 | 27 | 120 | ||||||||||
| SZL(A)-7×7/3 | 0.21 | 36.35 | 47 | 700 | 600 | 755 | 700 | 755 | 740 | 785 | 770 | 160 | 2 | |
| SZL(A)-7×7/2 | 0.21 | 23.98 | 31 | 120 | ||||||||||
| SZL(A)-10×7/3 | 0.30 | 51.94 | 47 | 900 | 1000 | 1040 | 1070 | 160 | ||||||
| SZL(A)-10×7/2 | 0.30 | 34.26 | 31 | 120 | ||||||||||
| SZL(A)-12×7/3 | 0.37 | 64.92 | 47 | 1200 | 1250 | 1290 | 1320 | 160 | ||||||
| SZL(A)-12×7/2 | 0.37 | 42.82 | 31 | 120 | ||||||||||
| SZL(A)-14×7/3 | 0.43 | 75.31 | 47 | 1400 | 1450 | 1490 | 1250 | 160 | ||||||
| SZL(A)-14×7/2 | 0.43 | 49.47 | 31 | 120 | ||||||||||
| SZL(A)-15×7/3 | 0.45 | 77.90 | 47 | 1400 | 1500 | 1540 | 1570 | 160 | ||||||
| SZL(A)-15×7/2 | 0.45 | 51.38 | 31 | 120 | ||||||||||
| SZL(A)-17×7/3 | 0.50 | 90.89 | 47 | 1700 | 1750 | 1790 | 1820 | 160 | ||||||
| SZL(A)-17×7/2 | 0.50 | 59.95 | 31 | 120 | ||||||||||
| SZL(A)-22×7/3 | 0.66 | 114.26 | 47 | 2100 | 2200 | 2240 | 2270 | 160 | ||||||
| SZL(A)-22×7/2 | 0.66 | 75.36 | 31 | 120 | ||||||||||
| SZL(A)-15×10/3 | 0.69 | 107.74 | 65 | 1000 | 1400 | 1025 | 1500 | 1025 | 1540 | 1055 | 1570 | 160 |
1 1/2 |
|
| SZL(A)-15×10/2 | 0.69 | 71.27 | 43 | 120 | ||||||||||
| SZL(A)-17×10/3 | 0.74 | 125.70 | 65 | 1700 | 1750 | 1790 | 1820 | 160 | ||||||
| SZL(A)-17×10/2 | 0.74 | 83.15 | 43 | 120 | ||||||||||
| SZL(A)-20×10/3 | 0.85 | 143.65 | 65 | 1900 | 2000 | 2040 | 2070 | 160 | ||||||
| SZL(A)-20×10/2 | 0.85 | 95.03 | 43 | 120 | ||||||||||
| SZL(A)-14×8/2 | 0.54 | 54.15 | 35 | 800 | 1400 | 815 | 1450 | 845 | 1490 | 875 | 1520 | 120 | 2 | |
相关产品
董经理:13606176983
电 话:0510-85959748
网 址:www.wx-hhsh.com
邮 箱:hh@wx-hhsh.com
地 址:中国江苏省无锡市滨湖区锡南路15号
No. 15, XiNanRoad, BinhuDistrict, WuXiCity, JiangsuProvince, China
邮 编:214128